Das Prinzip
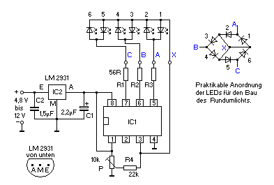
Zur elektronischen Simulation eines Rundumlichtes werden üblicherweise Leuchtdioden eines Lauflichtes im Kreis angeordnet. Dabei wird die Bewegung um so flüssiger, je mehr Leuchtdioden verbaut werden. Ich begann zunächst mit 4 Leuchtdioden. Das klappte, war jedoch mit 4 Schritten recht 'eckig'. Daher habe ich den Ablauf durch Zwischenschritte erweitert. Es wurden Schritte mit 2 leuchtenden benachbarten LEDs vorgesehen. Diese leuchteten jeweils mit halber Intensität. Das war schon gleichmäßiger, gefiel mir bar noch nicht so recht. Weitere Leuchtdioden sind schaltungstechnisch kein Problem – mit dem Platz in der Rundumleuchte sieht es das schon anders aus. Letztlich habe ich mich zur Verwendung von 6 LEDs entschlossen, die nun in 12 Schritten in einem Lampenkörper mit 4mm Innendurchmesser ihre Runden drehen. Drehrichtung und Geschwindigkeit sind einstellbar.
|